| Fuente láser | |||||
| PH-450 | PH-900 | PH-1200 | PH-1800 | ||
|---|---|---|---|---|---|
| Potencia máxima (W) | 450 | 900 | 1200 | 1800 | |
| Corriente (A) | 150 | 150 | 180 | 270 | |
| Tensión (V) | 6 | 12 | 12 | 12 | |
| Longitud bombeada (mm) | 11 | 23 | 23 | 23 | |
| Parámetros ópticos | |||||
| Duración del impulso de bombeo (µs) | |||||
| Frecuencia de repetición (Hz) | Hasta 1000 | ||||
| Diámetro de la varilla (mm) | De 2 a 4 | De 2 a 4 | De 2 a 4 | De 2 a 4 | |
| Material de la varilla | |||||
| Material de la varilla | Nd:YAG/Nd:YLF | ||||
| Concentración de Nd | 0,3% a 1% | ||||
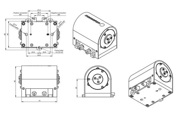
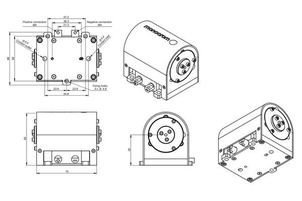
Fuente de bombeo QCW PH450-PH1800
Unidades de bombeo láser fiables que funcionan en onda cuasi continua (QCW).
Un diseño de simetría cilíndrica permite la rotación de la cámara de bombeo, lo que aporta flexibilidad durante la producción y optimización de un sistema láser.
Las barras de diodos láser de bombeo se montan utilizando nuestra tecnología patentada sin soldadura Clamping™.
Sin tensión mecánica En nuestras pilas de barras de diodos se utiliza nuestra tecnología patentada sin soldadura. Gracias a ella las barras apiladas se expanden y contraen libremente durante los ciclos térmicos del régimen pulsado evitando tensiones mecánicas.
🔴 Los posibles niveles de integración de este producto están marcados en rojo



