| Laser source | ||||||
| PH-120-6 | PH-120-3 | PH-150 | PH-240 | PH-300 | ||
|---|---|---|---|---|---|---|
| Power (W) | 120 | 120 | 150 | 240 | 300 | |
| Current (A) | 20 | 40 | 50 | 40 | 50 | |
| Voltage (V) | 12 | 6 | 6 | 12 | 12 | |
| Pumped length (mm) | 23 | 11 | 11 | 23 | 23 | |
| Optical parameters | ||||||
| Rod diameter (mm) | 2 to 4 | |||||
| Rod material | Nd:YAG | |||||
| Nd concentration | 0.3% to 1% | |||||
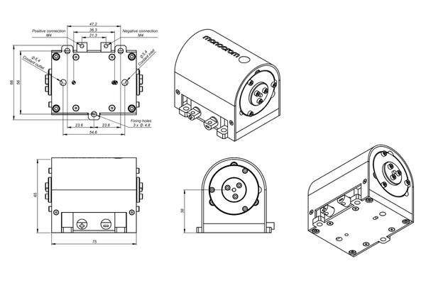
CW Pumping Source PH120 – PH300
CW Pumping Source PH120 – PH300
Pump heads for laser pumping, pumped with 120 W – 300 W at continuos wave (CW).
We offer all of them with Nd:YAG or Nd:YLF rod material.
The cylindrical symmetry of these pumping units allows rotation of the pumping chamber giving flexibility during the production and optimization of a laser system. The pumping laser diode bars are mounted using our patented solder-free clamping technology. Exclusively used by Monocrom.
🔴 Possible levels of integration for this product are marked in red













