| Laser Source | |||
| PH-3600 | PH-5400 | ||
|---|---|---|---|
| Pump peak power (W) | 3600 | 5400 | |
| Current (A) | 105 | 130 | |
| Voltage (V) | 36 | 36 | |
| Optical parameters | |||
| Pump pulse duration (µs) | up to 500 | ||
| Repetition rate (Hz) | up to 1000 | ||
| Rod diameter (mm) | 5 or 6 | 5 or 6 | |
| Rod parameters | |||
| Rod material | Nd:YAG/ Nd:YLF | ||
| Nd concentration | 0.3% to 1% | ||
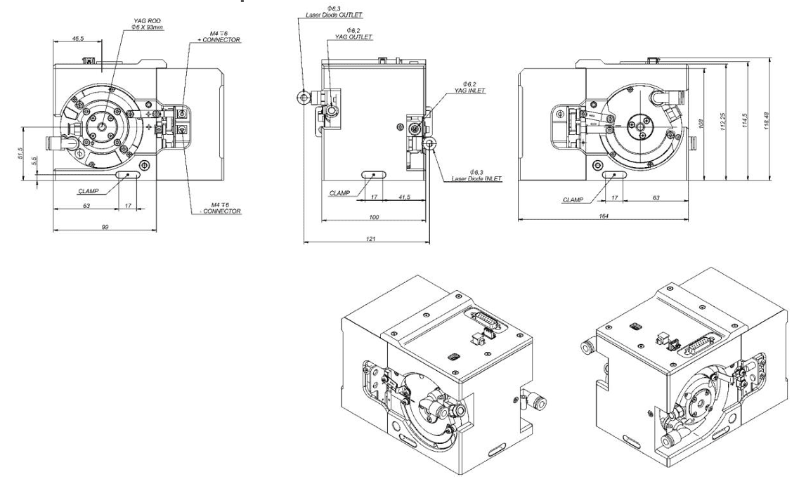
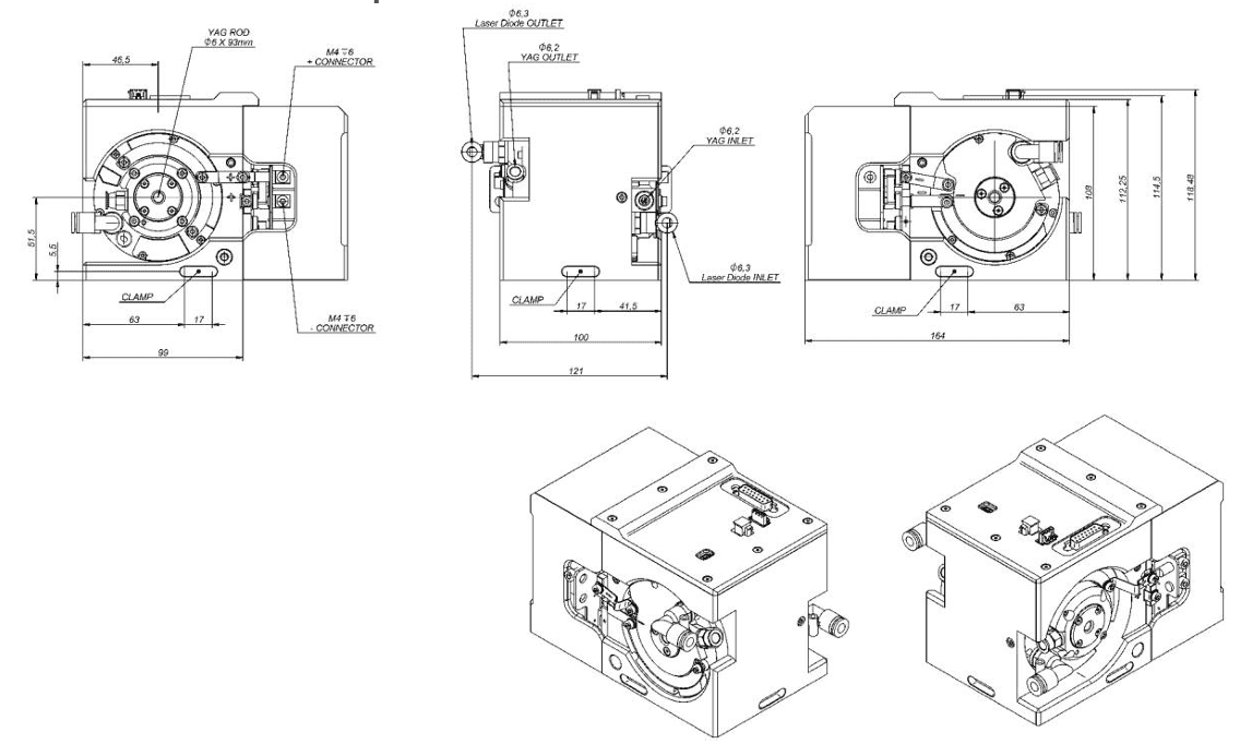
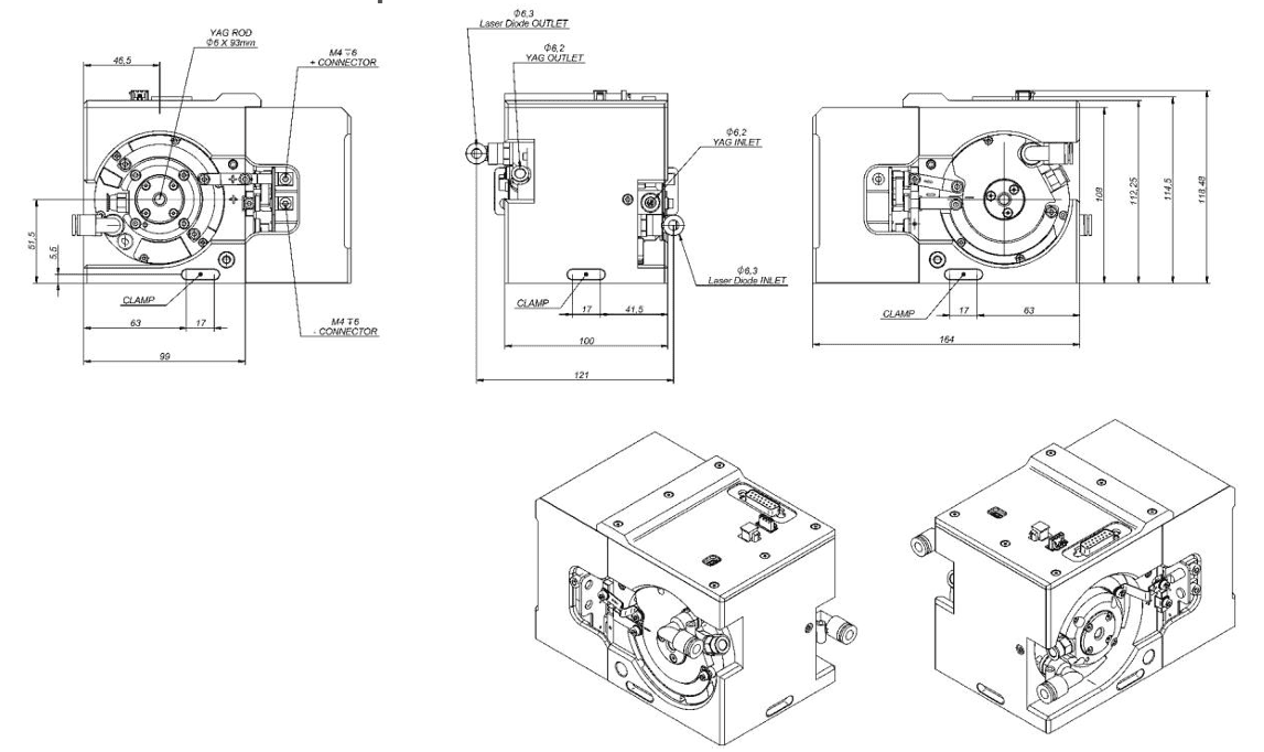
QCW Pumping Source PH3600-PH5400
QCW Pumping Source PH3600-PH5400
QCW Pumping Source pumping source operates in quasi continous wave (QCW) mode.
It delivers excellent gain uniformity and lensing performance.
It includes its own capacitor bank and driver so the high current pulses are generated in the module itself, reducing the losses and complexity of the electrical setup and easing the control and synchronization of different gain modules by means of software.
The pumping laser diode bars are mounted using our patented solder-free Clamping™ technology. Exclusively used by Monocrom.
🔴 Possible levels of integration for this product are marked in red













